產品介紹
咨詢服務熱線:13957717877
產品概述
資料下載
相關產品


為何選擇GRT8-M型多功能型時間繼電器? |
GRT8-M 多功能型時間繼電器是工程師應對復雜時序控制挑戰的理想選擇。它以 致緊湊的體積、無與倫比的模式靈活性、超寬的延時范圍與電壓適應性,以及清晰的狀 態指示,為工業自動化、樓宇控制、能源管理等領域提供了強大、可靠且經濟高效的延 時解決方案,是優化流程、提升設備智能化水平的可靠伙伴。 |
GRT8-M型多功能型時間繼電器產品優勢: |
1、一機多用,高度集成: 10種模式覆蓋絕大多數延時需求,減少庫存型號,簡化設計選型。 |
2、設定精準,范圍寬廣: 數字化設定,精度遠高于傳統時間繼電器,0.1秒至10天的超寬范圍滿足端應用。 |
3、安裝便捷,節省空間: 18mm超薄設計與卡軌安裝,優化控制柜空間利用率。 |
4、狀態可視,維護輕松: LED狀態指示清晰直觀,快速診斷故障,提升運維效率。 |
5、穩定可靠,適應性強: 寬電壓輸入設計,工業級品質,在各種嚴苛電氣環境下長期穩定運行。 |
6、經濟高效: 多功能集成降低系統整體成本,緊湊設計節省安裝與柜體成本。 |
GRT8-M型多功能型時間繼電器產品特點: |
1、業界的延時模式選擇: 提供多達10種可配置延時模式,為復雜控制邏輯提供強 大支持: - 電源控制時序(5種):
直接利用電源通斷信號觸發延時動作(如通電延時、斷電延時、間隔延時等),接 線簡單,適用于基礎自動化場景。 - 信號控制時序(4種): 通過獨立的外部無源觸點信號(如按鈕、傳感器、PLC輸出點)精確啟停延時功能 (如信號觸發延時、信號復位延時等),實現設備間的聯動與安全互鎖。 - 智能脈沖轉換(1種): 設計可將瞬時脈沖輸入信號(如按鈕點動、傳感器信號)轉換為穩定、可設定 時長的繼電器輸出信號,解決信號瞬態問題,簡化控制回路。 |
2、超寬延時范圍,全場景覆蓋: 延時設定范圍橫跨0.1秒至驚人的10天(100小時檔位),并細分為10個精確檔位。 無論是需要毫秒級響應的精密設備啟停(如測試設備、高速分揀),還是長達數日的 周期性任務(如灌溉系統、設備維護周期),皆可輕松應對。 |
3、的電源適應性: 提供 AC/DC 12V 至 240V 超寬工作電壓規格可選,具備優異的電網兼容性,可無 縫集成于全球不同標準的工業電源環境或直流控制系統中,減少備件種類。 |
4、運行狀態一目了然: 內置高亮 LED 指示燈,實時清晰指示繼電器工作狀態(如電源、延時中、輸出動作 ),簡化現場調試與設備狀態監控。 |
5、致緊湊,節省空間: 采用超小型設計,寬度僅18mm,支持標準35mm DIN 卡軌安裝,為緊湊型控制柜 、PLC 擴展模塊旁等空間受限場合提供優解決方案。 |
GRT8-M型多功能型時間繼電器產品應用: |
GRT8-M 憑借其強大的多功能性與高可靠性,在眾多領域展現核心價值: |
1、工業自動化設備: 精準控制產線設備啟停順序(如傳送帶聯動、機械手動作序列)、工序間等待時間、 注塑機冷卻周期、包裝機械封口時長等,生產流程順暢高效。 |
2、智能照明控制: 實現樓梯間、走廊、地下車庫的“人來燈亮,人走燈滅”延時關閉;控制廣告燈箱、 景觀照明的定時開啟/關閉;管理路燈的時序開關,節能環保。 |
3、加熱元件與溫控系統: 精確管理烘箱、注塑機加熱、電爐、熱風機的預熱時間、保溫時間及冷卻階段;控制 電伴熱帶的間歇運行,優化能耗與設備壽命。 |
4、電機與風機管理: 實現電機的順序啟動/停止、星三角降壓啟動轉換延時、軟啟動器旁路切換延時;為 風機提供延時關閉(如排風扇延時抽氣)、間歇運行控制,防止電機堵轉或過熱。 |
5、通用時序邏輯: 廣泛應用于自動門開閉保持、泵閥防頻繁啟停保護、報警系統自鎖與復位延時、設備 維護提醒周期、試驗設備測試流程控制等需要精確時間管理的場合。 |

GRT8-M型多功能型時間繼電器型號說明: |
|
GRT8-M型多功能型時間繼電器技術參數: |
型號 | GRT8-M1 | GRT8-M2 | |
功能 | A,B,C,D,E,F,G,H,I,J | ||
電源端子 | A1-A2 | ||
額定控制電源電壓 | W 2 4 0 | AC/DC 12-240V 50Hz | |
消耗功率 | AC 0.7-3VA/DC 0.5-1.7W | ||
額定控制電源電壓 | A220 | AC 220V 50Hz | |
消耗功率 | AC max.6VA/1.3W | AC max.6VA/1.9W | |
電源允許波動范圍 | -15%;+10% | ||
額定沖擊耐受電壓 | 2.5kV | ||
額定絕緣電壓 | 250V | ||
電源指示燈 | 綠色LED | ||
延時范圍 | 0.1秒-10天,常開,常閉 | ||
設定方式 | 旋鈕 | ||
設定精度 | 10% | ||
重復精度 | 0.2% | ||
溫度波動誤差 | 0.05%/℃ | ||
| 輸出觸點參數 |
1組轉換觸點 | 2組轉換觸點 | |
| |||
小切換功率 | 500mW | ||
輸出繼電器指示 | 紅色LED | ||
機械壽命 | 1×10? | ||
電壽命(阻性負載) | 1×10? | ||
復位時間 | 200ms | ||
工作環境溫度 | -20℃~+55℃ | ||
存儲和運輸環境溫度 | -35℃~+75℃ | ||
安裝方式 | 35mm卡軌安裝 | ||
防護等級 | IP20 | ||
安裝位置 | 任意 | ||
安裝海拔高度 | ≤2000米 | ||
污染等級 | 2 | ||
接線能力 | 1×2.5mm2或2×1.5mm2 0.4N ·m | ||
外形尺寸 | 90mm×18mm×64mm | ||
重量 | W240-62g,A220-62g | W240-82g,A220-81g | |
符合標準 | GB/T14048.5,IEC60947-5-1,EN 61812-1 | ||

GRT8-M型多功能型時間繼電器產品面板: | |
| |
時間設定方法: | |
| 旋鈕1:延時檔位設定,s表示秒,m表示分,h表示小時,d表示天, ON表示繼電器動作(15-18/25-28閉合), OFF表示繼電器斷開(15-18/25-28斷開)。 |
| 旋鈕2:延時時間細調,10%~100%可調。 |
延時時間=旋鈕1×旋鈕2。 例1: 需要設定5秒,可將旋鈕1設為10s,旋鈕2設為50%,延時時間=10s×50%=5s。 例2: 需要設定8分,可將旋鈕1設為10m,旋鈕2設為80%,延時時間=10m×80%=8m。 | |
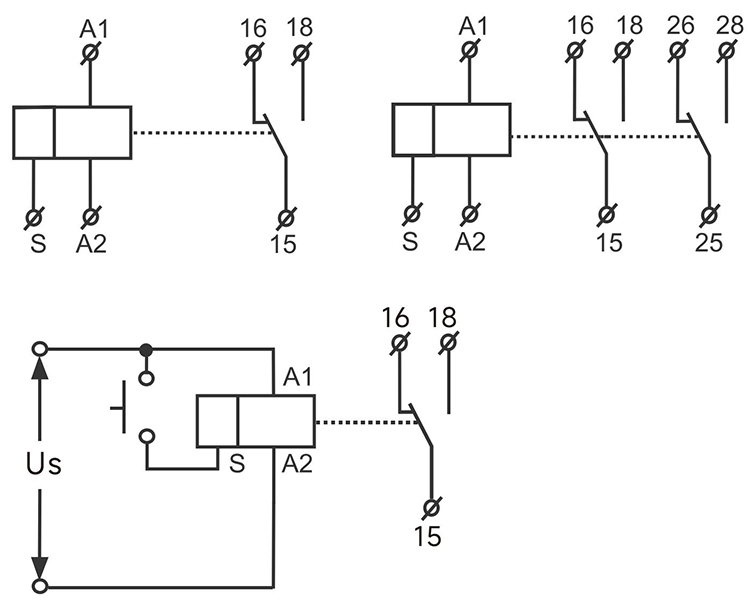
GRT8-M型多功能型時間繼電器產品接線: | |
| |

GRT8-M型多功能型時間繼電器產品功能: | |
A:通電延時 當繼電器Us得電,繼電器開始延時,延時 t后輸出觸點閉合。繼電器Us斷電后,輸出 觸點斷開,S控制信號在這個功能模式中無 效。 | B:延時斷開 當繼電器Us得電,繼電器輸出觸點馬上閉 合,開始延時,延時t后輸出觸點斷開,如 延時時間t未到繼電器Us失電,則輸出觸點 斷開,S控制信號在這個功能模式中無效。 |
|
|
C:循環延時(OFF開始) 當繼電器Us得電,繼電器開始延時,延時t 后輸出觸點閉合,同時又經過延時時間t后 繼電器輸出觸點斷開,如此循環延時直到 繼電器Us失電,S控制信號在這個功能模 式中無效。 | D:循環延時(ON開始) 當繼電器Us得電,繼電器閉合并開始延 時,延時t后輸出觸點斷開,同時又經過延 時時間t后繼電器輸出觸點閉合,如此循環 延時直到繼電器Us失電,S控制信號在這個 功能模式中無效。 |
|
|
E:延時斷開(S下降沿觸發開始) 當繼電器Us處于通電狀態,當S控制端接通 時,繼電器閉合,S控制端斷開時繼電器開 始延時,延時t后輸出觸點斷開,延時t過程 中S控制端重新接通,延時t清零重新延時。 | F:延時斷開(S上升沿觸發開始) 當繼電器Us處于通電狀態,當S控制端接通 時,繼電器閉合,同時繼電器開始延時, 延時t后輸出觸點斷開,延時t過程中S控制 端重新接通,延時t保持不變繼續延時。 |
|
|
G:S下降沿觸發閉合,延時斷開 當繼電器Us處于通電狀態,當S控制端斷開 時,繼電器閉合,同時繼電器開始延時, 延時t后輸出觸點斷開,延時t過程中S控制 端重新接通斷開,延時t保持不變繼續延時 | H:接通斷開延時 當繼電器Us處于通電狀態,當S控制端接通 時,繼電器開始延時,延時t后輸出觸點閉 合,當S控制端斷開時,繼電器開始延時, 延時t后輸出觸點斷開。 |
|
|
I:脈沖轉換 當繼電器Us處于通電狀態,當S控制端接 通時,繼電器輸出觸點狀態轉換。 | J:脈沖輸出 當繼電器Us得電后,繼電器開始延時,延 時時間t到后,繼電器輸出觸點閉合0.5s后 斷開。 |
|
|
GRT8-M型多功能型時間繼電器產品尺寸: | |
| |
上一個:GRT8-D斷電延時型時間繼電器
優惠券
我們的微信
13957717877
13957796089