產品介紹
咨詢服務熱線:13957717877
產品概述
資料下載
相關產品
相關資訊


為何選擇GRV8-SV型LCD顯示電壓繼電器? |
GRV8-SV型LCD顯示電壓繼電器以高可靠性、靈活適配性及用戶友好性為核心優勢, 幫助用戶實現精準的電壓監控與智能化電源管理。無論是復雜工況下的移動設備,還是 對供電連續性要求嚴苛的固定設施,均能通過該產品提升系統安全性與能源效率。 |
? 適用行業?:電力系統、交通運輸、農業機械、冷鏈物流、工業自動化等。 |
GRV8-SV型LCD顯示電壓繼電器產品特點: |
1、?真有效值測量技術? 采用真有效值(True RMS)電壓測量技術,可精準監測設備自身電源電壓,復 雜波形或非線性負載場景下的數據準確性,避免誤判風險。 |
2、?高清液晶顯示界面? 配備LCD顯示屏,實時顯示電壓數值、頻率及工作狀態,支持參數現場查看與配置, 操作直觀便捷,減少調試時間。 |
3、?寬頻測量與高精度性能? 支持45Hz-65Hz頻率范圍測量,兼容多種電網標準(如50Hz/60Hz);電壓測量精 度<1%,滿足嚴苛工業環境對監測精度的要求。 |
4、?模塊化設計,安裝便捷? 采用2模塊緊湊型結構,支持DIN導軌安裝,節省控制柜空間,便于快速集成到現有 電力系統中,降低部署成本。 |
GRV8-SV型LCD顯示電壓繼電器產品應用: |
1、?移動設備電源管理? 適用于現場作業設備、農業機械、冷藏車等移動場景,實時監測車載電源電壓,防 止因電壓異常導致設備停機或損壞,提升移動作業的穩定性。 |
2、?正常/應急電源自動切換? 在電力系統中實現主備電源的無縫切換。當主電源電壓超出設定閾值時,繼電器自 動觸發切換邏輯,保障醫院、數據中心等關鍵場所的持續供電。 |
3、?工業設備保護? 通過預設電壓上下限,對電機、變壓器等設備進行過壓/欠壓保護,延長設備壽命并 減少運維成本。 |

GRV8-SV型LCD顯示電壓繼電器型號說明: |

GRV8-SV型LCD顯示電壓繼電器技術參數: |
| 型號 | GRV8-SV |
| 功能 | 過壓、欠壓 |
| 額定電源電壓 | AC/DC110V..240V |
| 額定電源頻率 | 45~65Hz,0Hz |
| 工作電壓范圍 | 50V~350V |
| 負擔 | AC max.3VA |
| 過電壓運行值 | 65V~300V,OFF |
| 欠壓運行值 | OFF,65V~300V |
| 過壓/欠壓動作延遲 | 0.1s~20s |
| 加電延遲 | 0.5s~300s |
| 重置時間 | 0.5s~300s |
| 測量誤差 | ≤1% |
| 輸出 | 2×SPDT |
| 當前評級 | 8A/AC1 |
| 開關電壓 | 250VAC/24VDC |
| 電氣壽命(AC1) | 1×107 |
| 機械壽命 | 1×10? |
| 工作溫度 | -20℃~+60℃ |
| 儲存溫度 | -35℃~+75℃ |
| 安裝/DIN導軌 | 導軌EN/IIEC60715 |
| 防護等級 | 前面板IP40/IP20端子 |
| 操作位置 | any |
| 過電壓類別 | Ⅲ. |
| 污染程度 | 2 |
| 電纜尺寸(mm2) | 實心線1×2.5或2×1.5/帶套筒1×2.5mg(AWG 12) |
| 擰緊力矩 | 0.4Nm |
| 尺寸 | 82×36×68mm |
| 重量 | 100g |
| 標準 | EN 60255-1,IEC60947-5-1 |

GRV8-SV型LCD顯示電壓繼電器參數設置: |
| 參數 | 范圍 | 增長值 | 出廠設置 |
| 過電壓值 | 65V~300V,OFF | 1V | 253V |
| 過電壓恢復值 | 60V~295V | 1V | 248V |
| 欠壓值 | OFF,65V~300V | 1V | 187V |
| 欠壓恢復值 | 70V~305V | 1V | 192V |
| 電壓故障動作時間 | 0.1s~20s | 0.1s | 2s |
| 通電延遲時間 | 0.5s~300s | 0.1s/1s | 0.5s |
| 復位時間 | 0.5s~300s | 0.1s/1s | 1s |
| 故障復位 | ON-OFF | —— | ON |
GRV8-SV型LCD顯示電壓繼電器產品尺寸: |


GRV8-SV型LCD顯示電壓繼電器產品功能: |

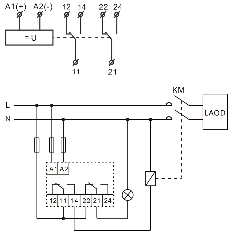
GRV8-SV型LCD顯示電壓繼電器產品接線: |

上一個:GRV8-UV系列低壓繼電器
優惠券
我們的微信
13957717877
13957796089