產品介紹
咨詢服務熱線:13957717877
產品概述
資料下載
相關產品
相關資訊


為何選擇GRV8-VW隔離監控型電壓繼電器? |
產品已通過GB/T14048.5、IEC60947-5-1標準認證,工作溫度覆蓋-20℃ ~ +55℃寬溫域,防護等級達IP20,可廣泛應用于智能制造、能源電力、軌道交通等領域, 為各類電氣系統提供專業級電壓保護與隔離監控服務。 |
GRV8-VW隔離監控型電壓繼電器產品特點: |
1、精準測量保障可靠 采用真有效值(True RMS)測量技術,準確捕獲復雜波形電壓參數,全量程范圍內測 量精度達±1%,即使在諧波干擾嚴重的工業場景中仍能數據真實性。 |
2、智能監控模式可選 支持過壓/欠壓獨立監控或復合監控模式,閾值參數可編程設定,用戶可根據負載特性 靈活配置保護策略,滿足不同系統對電壓保護的差異化需求。 |
3、雙重觸點獨立控制 配置兩組可獨立動作的繼電器觸點(2CO),每組觸點均支持常開(NO)/常閉(NC) 模式切換,既可同時監控過壓與欠壓狀態,也可分別控制不同回路。 |
4、緊湊型模塊化設計 36mm超薄寬度配合35mm標準卡軌安裝,節省75%的柜內空間,特別適用于高密度配 電柜及移動設備等空間受限場景,支持快速插拔維護。 |
5、隔離防護增強安全 內置2000V電氣隔離屏障,有效阻隔強電磁干擾,適用于弱帶載能力系統(如PLC信號 端)或需要物理隔離的電壓監控場景,信號采集的安全穩定。 |
GRV8-VW隔離監控型電壓繼電器產品應用: |
? 電力系統保護:精準監測配電線路電壓波動,當電壓超出設定閾值(如±15%Un)時,0.1 秒內觸發斷路器分閘,防止電機、變壓器等設備因過/欠壓損壞 |
? 工業自動化監控:在PLC控制系統中對隔離電壓信號進行實時采集,通過雙觸點獨立輸出 實現設備聯鎖保護與狀態反饋 |
? 新能源系統適配:適用于光伏逆變器、儲能系統等存在諧波干擾的場合,真有效值測量技 術交流側電壓的準確監控 |
? 軌道交通供電:通過卡軌式安裝為機車供電單元提供緊湊型電壓保護方案,抗振設計滿足 移動設備的嚴苛環境要求 |

GRV8-VW隔離監控型電壓繼電器型號說明: |

GRV8-VW隔離監控型電壓繼電器技術參數: |
| 型號 | GRV8-VW1\GRV8-VW2 |
| 功能 | 電壓監控 |
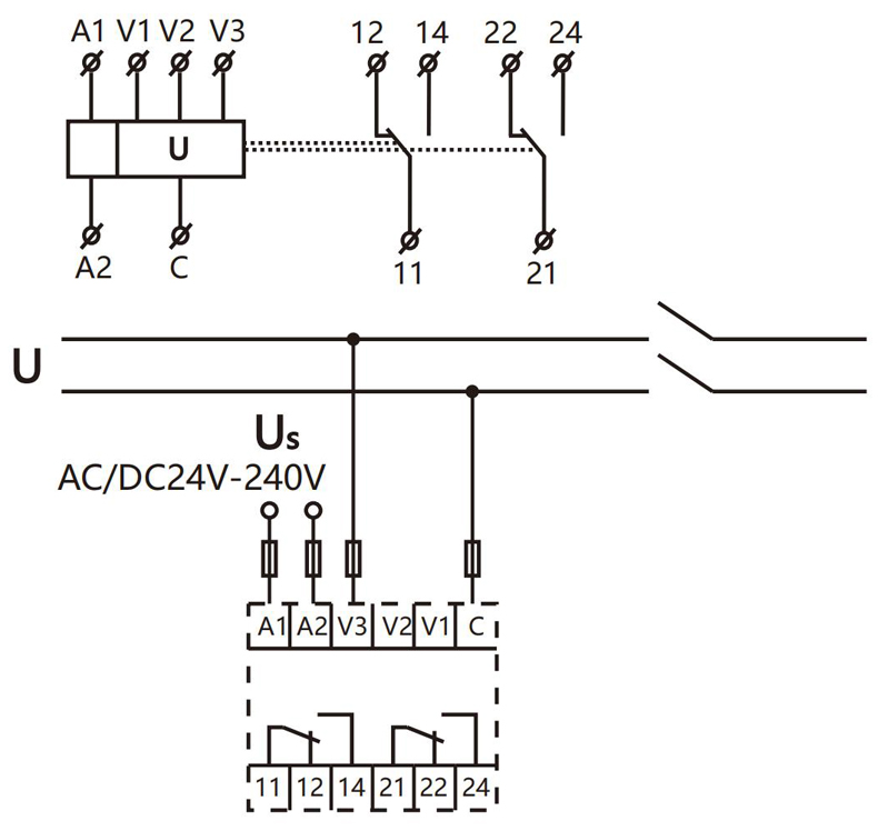
| 電源端子 | A1,A2 |
| 額定控制電源電壓 | AC/DC24-240V 50/60Hz |
| 監控電壓輸入端子 | V1,V2,V3,C |
| 監控電壓范圍 | AC/DC15V-600V50/60Hz |
| 額定絕緣電壓 | 600V |
| 額定沖擊耐受電壓 | 4kV |
| 滯后值 | 過壓或欠壓監控時5%-20%可調,過欠壓同時監控時固定3% |
| 電源/復位指示燈 | 綠色LED |
| 電壓測量誤差 | ≤2% |
| 動作延時時間 | 0.1s-10s |
| 上電/復位延時時間 | 0.1s-10s |
| 旋鈕設定精度 | 10% |
| 溫度波動誤差 | 0.05%/C,at=20℃ |
| 輸出 | 2組轉換觸點 |
| 小切換功率 | 500mW |
| 輸出繼電器指示 | 紅色LED |
| 機械壽命 | 5×106 |
| 電壽命(阻性負載) | 5×10? |
| 工作環境溫度 | -20℃~+55℃ |
| 存儲和運輸環境溫度 | -35℃~+75℃ |
| 安裝方式 | 35mm卡軌安裝 |
| 防護等級 | IP20 |
| 安裝位置 | 任意 |
| 安裝海拔高度 | ≤2000米 |
| 污染等級 | 2 |
| 接線能力 | 1×2.5mm2或2×1.5mm20.4Nm |
| 外形尺寸 | 90mm×36mm×64mm |
| 重量 | 100g |
| 符合標準 | GB/T14048.5,IEC60947-5-1 |
| 型號 | 輸入端子 | 輸入監控電壓范圍 | 輸入阻抗 |
| GRV8-VW1 | V1-C | AC/DC1V-10V50/60Hz | 22kQ |
| V2-C | AC/DC5V-50V50/60Hz | 110kQ | |
| V3-C | AC/DC10V-100V50/60Hz | 220kQ | |
| GRV8-VW2 | V1-C | AC/DC15V-150V50/60Hz | 500kQ |
| V2-C | AC/DC30V-300V50/60Hz | 1MQ | |
| V3-C | AC/DC60V-600V50/60Hz | 2MQ |

GRV8-VW隔離監控型電壓繼電器產品面板: |

| 撥碼開關設置 | ||
| SW1 | ON | 單監控,過壓或欠壓 |
| OFF | 雙監控,過壓和欠壓 | |
| SW2 | ON | 過壓監控 (只在SW1-ON,單監控時有效) |
| OFF | 欠壓監控 (只在SW1-ON,單監控時有效) | |
| SW3 | ON | 過欠壓后鎖定 |
| OFF | 過欠壓后自動復位 | |
| SW4 | ON | 正常常開點閉合,過欠壓時常開點斷開 |
| OFF | 正常常開點斷開,過欠壓時常開點閉合 | |
| SW5 | ON | 繼電器1和繼電器2同時動作 (當SW1-ON,單監控時默認此模式) |
| OFF | 繼電器1和繼電器2分開動作, 只在SW1-OFF,雙監控時有效, R1(11,12,14)過壓,R2(21,22,24)欠壓 | |

GRV8-VW隔離監控型電壓繼電器產品尺寸: |

GRV8-VW隔離監控型電壓繼電器產品接線: |


GRV8-VW隔離監控型電壓繼電器產品功能: |

優惠券
我們的微信
13957717877
13957796089