產品介紹
咨詢服務熱線:13957717877
產品概述
資料下載
相關產品


GRT8-K數字設定型時間繼電器產品優勢: |
1、設定高效:數字化撥碼替代傳統旋鈕調節,參數設定直觀快捷 |
2、抗干擾性強:工業級電路設計,有效抵抗電磁干擾,時序精度 |
3、兼容性廣:寬電壓輸入范圍適配全球主流電氣標準 |
4、維護便捷:模塊化設計支持快速更換,LED狀態指示降低故障診斷難度 |
5、空間優化:超薄體積提升控制柜空間利用率 |
GRT8-K數字設定型時間繼電器產品特點: |
1、多模式延時功能 提供4種可編程延時模式(如通電延時、斷電延時等),適配不同控制場景需求。 |
2、高精度數字設定 采用數字化撥碼開關設定時間參數,避免傳統電位器設定的誤差,提升設定準確性 與重復性。 |
3、寬范圍時間覆蓋 延時范圍跨越0.1秒至99小時,覆蓋從精密短時控制到長周期作業的全場景需求。 |
4、寬電壓兼容設計 支持AC/DC 12V-240V寬幅工作電壓,可直接匹配主流工業設備電源系統。 |
5、可視化狀態指示 內置LED工作狀態指示燈,實時顯示繼電器運行狀態,便于設備監控與故障排 查。 |
6、緊湊型工業設計 僅18mm寬度的超薄機身,符合DIN 35mm標準導軌安裝規格,有效節省控制柜空 間。 |
GRT8-K數字設定型時間繼電器產品應用: |
1、工業自動化控制 適用于生產線設備時序控制、機械手動作循環、傳送帶啟停管理等自動化流程。 |
2、能源管理系統 實現照明回路定時啟停(如廠區路燈、廣告燈箱)、空調風機輪換控制等節能場景。 |
3、熱工設備控制 精準控制加熱元件工作周期(如工業烤箱、注塑機溫控系統),避免能源浪費。 |
4、電機保護系統 為水泵、風機等電機設備提供延時啟動/停止控制,有效降低啟動電流沖擊。 |
5、安全聯鎖裝置 應用于設備安全門鎖、急停復位等需要時間校驗的安全控制環節。 |

GRT8-K數字設定型時間繼電器型號說明: |
|
GRT8-K數字設定型時間繼電器技術參數: |
型號 | GRT8-K1 | GRT8-K2 | |
功能 | A,B,E,F | ||
電源端子 | A1-A2 | ||
額定控制電源電壓 | W 2 4 0 | AC/DC 12-240V(50-60Hz) | |
消耗功率 | AC 0.7-3VA/DC 0.5-1.7W | ||
額定控制電源電壓 | A 2 2 0 | AC 220V(50-60Hz) | |
消耗功率 | AC max.6VA/1.3W | AC max.6VA/1.9W | |
電源允許波動范圍 | -15%;+10% | ||
電源指示燈 | 綠色LED | ||
延時范圍 | 0.1秒-99小時,常開,常閉 | ||
設定方式 | 數字撥碼設定 | ||
延時精度 | 1% | ||
重復精度 | 0.2% | ||
溫度波動誤差 | 0.05%/℃,at=20℃ | ||
| 輸出觸點參數 | 1組轉換觸點 | 2組轉換觸點 | |
Ith:16A;AC15: Ue/le:250V/5A | Ith:8A;AC-15: Ue/le:250V/2.5A | ||
小切換功率 | 500mW | ||
輸出繼電器指示 | 紅色LED | ||
機械壽命 | 1×10? | ||
電壽命(阻性負載) | 1×10? | ||
復位時間 | 200ms | ||
工作環境溫度 | -20℃~+55℃ | ||
存儲和運輸環境溫度 | -35℃~+75℃ | ||
安裝方式 | 35mm卡軌安裝 | ||
防護等級 | IP20 | ||
安裝位置 | 任意 | ||
安裝海拔高度 | ≤2000米 | ||
污染等級 | 2 | ||
接線能力 | 1×2.5mm2或2×1.5mm20.4N ·m | ||
外形尺寸 | 90mm×18mm×64mm | ||
重量 | W240-64g,A220-62g | W240-72g,A220-70g | |
符合標準 | GB14048.5,IEC60947-5-1,EN 61812-1 | ||

GRT8-K數字設定型時間繼電器產品面板: | |
| |
GRT8-K數字設定型時間繼電器延時范圍設定: | |
| |
GRT8-K數字設定型時間繼電器延時設定方法: | |
1、撥動面包上撥動開關設定延時范圍和功能模式。 | |
2、撥動數字開關設定到需要的時間。 | |
例1:設定工作模式為A模式,設定5.5 秒鐘,按如下設定: | 例2:設定工作模式為E模式,設定30 分鐘,按如下設定: |
| ![]() |

GRT8-K數字設定型時間繼電器延時產品功能: | |
A:通電延時 | B:延時斷開 |
當繼電器Us得電,繼電器開始延時, 延 時t后輸出觸點閉合。繼電器Us斷電后, 輸出觸點斷開,S控制信號在這個功能模 式中無效。 |
當繼電器Us得電,繼電器輸出觸點馬 上 閉合,開始延時,延時t后輸出觸點斷開, 如延時時間t未到繼電器Us失電,則輸出 觸點斷開,S控制信號在這個功能模式中 無效。 |
|
|
E:延時斷開(S下降沿觸發開始) | F:延時斷開(S上升沿觸發開始) |
當繼電器Us處于通電狀態,當S控制端接 通時,繼電器閉合,S控制端斷開時繼電 器開始延時,延時t后輸出觸點斷開,延 時t過程中S控制端重新接通,延時t清零重 新延時。 |
當繼電器Us處于通電狀態,當S控制端接 通時,繼電器閉合,同時繼電器開始延 時,延時t后輸出觸點斷開,延時t過程中 S控制端重新接通,延時t保持不變繼續延 時。 |
|
|
GRT8-K數字設定型時間繼電器延時產品尺寸: | |
| |
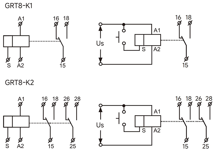
GRT8-K數字設定型時間繼電器延時產品接線: | |
| |
下一個:GRT8-2T雙延時時間繼電器
優惠券
我們的微信
13957717877
13957796089